- Dual ceramic ball bearing system provides optimal turbo response &
better durability by reducing the shaft-motion - 13 Blade PTG-Aero billet compressor wheel 106mm inducer produces up to 3000 hp
- 9 Blade PTG-Aero Inconel 713c turbine wheel with more turbine flow
- Fin cooled aluminum center housing, lighter weight
- Anti-Surge ported-shroud compressor inlet, cover integrated with the speed sensor port
- Outline interchangeable with GTX55 Gen II turbos
- Compressor Wheel: 106*144mm
- Turbine Wheel: 118*112mm
- Compressor Inlet: 6” Hose
- Compressor Outlet: 4” V-band
- Compressor Housing A/R: 0.96
- Turbine Inlet: 3.5” V-Band
- Turbine Outlet: 5” V-Band
- Turbine Housing A/R: 1.25
- Oil Feed Fitting(-4AN ∅ 1.65mm (0.065″) Orifice) included
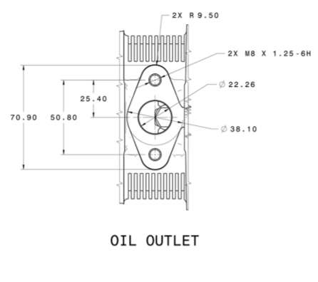
- Oil Drain: See graph in pictures (OIL OUTLET)
- Once your payment is verified, your items will be shipped within 48 hours. No shipment on Weekends.
- Please double-check your shipping address before proceeding with the payment. There will be an extra charge by the carrier for changing the shipping address and sometimes no such service is available.
- You can choose a faster shipping method, but if our carriers don’t offer such a service to your address, we will inform you timely and either cancel the order or ship it via the standard shipping method and refund the extra cost.
- Item(s) might be sent from us or our overseas warehouse(s) via UPS, DHL, FedEx, etc. at our discretion, you are responsible for the import tax/duty (If Any) upon delivery.

